
也许你会说:“如果我能把它转换成SATA,为什么我要把它转换成IDE呢?”
所以,让我们开始吧
有一些旧驱动器不能转换为SATA端口。这种问题是由PCB上的主CPU引起的。
在这种情况下,我们有三星HS25YJZ驱动器基于JM20335控制器芯片在USB桥上。本例中也有使用PATA接口的Marvell 88i8038控制器芯片。当驱动器试图读取问题扇区时,该控制器芯片可以每次冻结。这是一个古老的驱动力,它有很多问题领域。
结论:我们不能为SATA适配器焊接电线,但应该使用PATA连接接点。
以下是JM20335控制器芯片数据表的一部分:
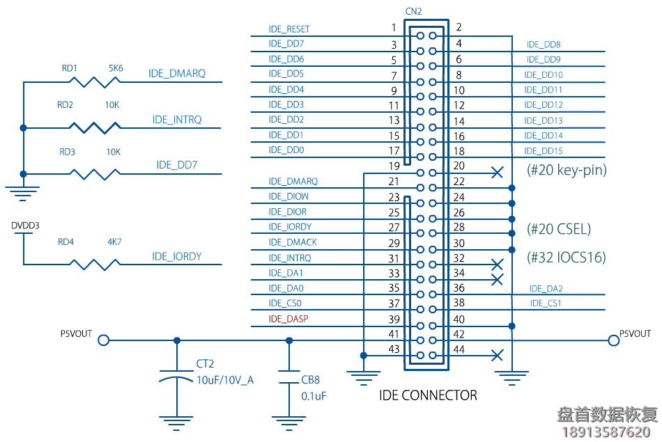
这是IDE适配器pinouts方案
因此,经过焊接过程,我们得到了以下结果:
因此,在这些步骤之后,我们甚至可以通过PC主板上的默认IDE通道访问用户数据。所有数据被恢复
最后
你也可以尝试为这样的硬盘找到一个匹配的PCB,但它是非常复杂的,因为硬盘很罕见和古老的。这就是为什么我们为您提供替代方法。
- 工程师微信二维码
- 微信扫一扫添加好友可直接咨询数据恢复相关问题
-
- 关注盘首微信小程序
- 扫描微信小程序查看大量数据恢复技术视频教程
-















